【UVM项目实战】异步fifo—uvm项目结构以及uvm环境搭建
一、异步FIFO
1.1 异步FIFO的定义
异步时序设计指的是在设计中有两个或以上的时钟, 且时钟之间是同频不同相或不同频率的关系。而异步时序设计的关键就是把数据或控制信号正确地进行跨时钟域传输。
一个异步 FIFO 一般由如下部分组成:
- Memory, 作为数据的存储器;
- 写逻辑部分,主要负责产生写信号和地址;
- 读逻辑部分,主要负责产生读信号和地址;
- 地址比较部分,主要负责产生 FIFO 空、满的标志。
跟普通的FIFO相比,异步FIFO实际上多了读写地址的跨时钟域同步的逻辑,以及两个时钟域中读写信号的比较逻辑。
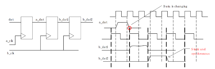
1.2 亚稳态
每一个触发器都有其规定的建立(setup)和保持(hold)时间参数, 在这个时间参数内, 输入信号在时钟的上升沿是不允许发生变的。 如果在信号的建立时间中对其进行采样, 得到的结果将是不可预知的,即亚稳态。
为了避免亚稳态。采用双锁存器可以改善这一问题:
时钟域B两级同步的寄存器跟时钟域A的输出寄存器之间不能有组合逻辑。组合逻辑电路各个输入信号的不一致性以及组合逻辑内部路径的延时时间不一样,运算后的信号存在毛刺。
1.3 异步FIFO关键技术一
这里用到了一个很重要的概念“回卷”,通常判断读写的地址是否相同来判断空和满,这里使用回卷技术,在深度为8的fifo中多一位来代表回卷位,当fifo溢出之后,回卷位会被置1,当读时钟和写时钟的回卷位不同而其他位相同时,表示fifo已经满,因为写地址在溢出后的位置,而读时钟在溢出前。
1.3 异步FIFO关键技术二
将满和将空信号实际上表示更加保守的满和空信号。基本思路是,设定一个间隔值,当读写地址之间的间隔小于或等于该间隔就产生将空或将满信号。
对于异步FIFO而言,由于同步过来的地址信号都是格雷码表示的,我们不能直接用格雷码去判断上述的这个间隔,所以需要先对接受到的格雷码进行解码变为二进制,再和当前时钟域下的另一个地址进行将满和将空的生成。
1.4 FIFO逻辑图
二、UVM结构
该项目的UVM包括以下几个文件:
fifo_if.sv
fifo_case0.sv
base_test.sv
top_tb.sv
fifo_driver.sv
fifo_model.sv
fifo_transaction.sv
fifo_in_monitor.sv
fifo_env.sv
fifo_scoreboard.sv
fifo_chk_rst.sv
fifo_in_sequencer.sv
fifo_in_agent.sv
my_env.sv
fifo_out_monitor.sv
fifo_out_agent.sv
下面是本次UVM的整体框架:
现在对每一个文件进行解释。
2.1 interface
该文件主要是用于连接DUT的物理信号与UVM的事件信号,起主要是在top_tb中进行定义和连接,然后通过uvm_config_db进行定点发送。1
2
3
4
5
6
7
8
9
10
11
12
13
14
15
16
17
18
19
20
21
22
23
24
25
26
27
28
29
30
31
32
33
34
35
36
37
38
39
40
41
42
43
44
45
46
47
48
49
50
51
52
53
54
55`ifndef FIFO_IF__SV
`define FIFO_IF__SV
// 括号里面是时钟信号
interface fifo_if(input wclk, input rclk, input wreset_b, input rreset_b);
logic write,read;
logic [31 : 0] wdata;
logic [31 : 0] rdata;
wire wfull,rempty; // logic
/***********时钟约束************/
// wdata为inout
clocking ckw @(posedge wclk);
input wfull;
inout write;
inout wdata;
endclocking
// wdata为input
clocking ckim @(posedge wclk);
input wfull;
inout write;
input wdata;
endclocking
//
clocking ckom @(posedge rclk);
input rempty;
inout read;
input rdata;
endclocking
/***********方向约束************/
// 普通模式
modport DUT(
input write,
input read,
input wdata,
output rdata,
output wfull,
output rempty
);
// 读取模式
modport DRV(
clocking ckw,
input read,
input rdata,
input rempty
);
modport OMON(
clocking ckom,
input wfull,
input write,
input wdata
);
endinterface //interfacename
`endif
clocking主要是定义每个logic信号的方向,同时制定该信号同步的时钟域。括号里信号的作用是控制 clocking 块内的所有信号的同步时序。时钟信号 的上升沿会触发对这些信号的采样或更新。
modport的作用是定义了一个接口的访问模式,指定了如何访问时钟块 ckw 和接口中的信号。具体来说,它允许从外部访问 read、rdata 和 rempty 信号,并且会在时钟块 ckw 中进行同步。
2.2 transaction
transaction主要是用于对信号进行打包操作,本项目只有一个输入data_in,因此只需要生成一个随机数据。同时基于约束并注册(这是基本操作)。1
2
3
4
5
6
7
8
9
10
11
12
13
14
15
16
17
18
19
20
21
22`ifndef FIFO_TRANSACTION__SV
`define FIFO_TRANSACTION__SV
class fifo_transaction extends uvm_sequence_item;
// 产生的随机数据
rand bit[31:0] data_in[];
// 约束
constraint data_in_c {
soft data_in.size inside {[1:300]};
}
// 将数据加入注册
`uvm_object_utils_begin(fifo_transaction)
`uvm_field_array_int(data_in,UVM_ALL_ON)
`uvm_object_utils_end
// 构造函数
function new(string name = "fifo_transaction");
super.new(name);
endfunction
endclass
`endif
2.3 driver
驱动器是UVM中的核心,代码如下所示:1
2
3
4
5
6
7
8
9
10
11
12
13
14
15
16
17
18
19
20
21
22
23
24
25
26
27
28
29
30
31
32
33
34
35
36
37
38
39
40
41
42
43
44
45
46
47
48
49
50
51
52
53
54
55
56
57
58
59
60
61
62
63`ifndef FIFO_DRIVER__SV
`define FIFO_DRIVER__SV
class fifo_driver extends uvm_driver#(fifo_transaction);
virtual fifo_if vif;
//define 功能覆盖率 是否达到 空 满 状态
covergroup cov_label;
option.per_instance = 1;
option.auto_bin_max = 2;
coverpoint vif.wfull;
coverpoint vif.rempty;
endgroup
// 注册
`uvm_component_utils(fifo_driver)
// 构造函数
function new(string name = "fifo_driver", uvm_component parent = null);
super.new(name, parent);
cov_label = new(); // 创建覆盖率
endfunction
// 初始化函数
virtual function void build_phase(uvm_phase phase);
super.build_phase(phase);
if(!uvm_config_db#(virtual fifo_if)::get(this,"","vif",vif))
`uvm_fatal("fifo_driver","virtual interface must be set for vif!!!")
endfunction
extern task main_phase(uvm_phase phase);
extern task drive_one_pkt(fifo_transaction tr);
endclass
task fifo_driver::main_phase(uvm_phase phase);
`uvm_info("fifo_driver","begin!",UVM_LOW)
while(1) begin
seq_item_port.get_next_item(req); // 开始
drive_one_pkt(req);
seq_item_port.item_done(); // 结束
end
endtask
task fifo_driver::drive_one_pkt(fifo_transaction tr);
int data_size,j;
data_size = tr.data_in.size();
`uvm_info("fifo_driver","begin to drive one pkt",UVM_LOW)
for(int i = 0; i < data_size; i++) begin
@(vif.ckw); // 表示ckw中的内容发生变化
if((!vif.ckw.wfull) && (vif.ckw.write == 1)) begin
cov_label.sample();
vif.ckw.wdata <= tr.data_in[i];
`uvm_info("fifo_driver",$sformatf("%0d number is sent,number is %0h",j++,vif.ckw.wdata),UVM_LOW)
end
else if((!vif.ckw.wfull) && (vif.ckw.write == 0)) begin
vif.ckw.write <= 1;
i--;
end
else begin // 满了
vif.ckw.write <= 0;
i--;
end
end
endtask
`endif关于覆盖率这里我们先不做介绍,后续会单独做期来讲解覆盖率
需要注意几点,首先在初始化函数中使用uvm_config_db来获取DUT信号,用于对DUT的信号进行写入与读取。
其次是在main_phase中,使用driver自带的端口seq_item_port来获得一个包(就是刚才说的随机数据),这个端口会在agent中进行连接,来源就是sequencer,然后将包中的信息发送到DUT上。
最后就是在drive_one_pkt中,使用@(vif.ckw);来捕获时钟上升沿,然后通过wfull和write的状态来决定是否发送数据。
可以看到,write和wdata信号均有写入和读取的操作,因此在ckw中设置为inout信号
2.4 moniter
moniter的作用在于接受DUT的信息,有在输入和输出都有一个moniter。1
2
3
4
5
6
7
8
9
10
11
12
13
14
15
16
17
18
19
20
21
22
23
24
25
26
27
28
29
30
31
32
33
34
35
36
37
38
39
40
41
42
43
44
45
46
47
48
49
50
51`ifndef FIFO_IN_MONITOR__SV
`define FIFO_IN_MONITOR__SV
class fifo_in_monitor extends uvm_monitor;
virtual fifo_if vif;
uvm_analysis_port #(fifo_transaction) ap;
// 注册
`uvm_component_utils(fifo_in_monitor)
// 构造函数
function new(string name = "fifo_in_monitor", uvm_component parent = null);
super.new(name, parent);
endfunction
// 初始化函数
virtual function void build_phase(uvm_phase phase);
super.build_phase(phase);
if(!uvm_config_db#(virtual fifo_if)::get(this, "", "vif", vif))
`uvm_fatal("fifo_in_monitor", "virtual interface must be set for vif!!!")
ap = new("ap", this);
endfunction
extern virtual task main_phase(uvm_phase phase);
extern task collect_one_pkt(fifo_transaction tr);
endclass
task fifo_in_monitor::main_phase(uvm_phase phase);
fifo_transaction tr;
repeat(2) begin
tr = new("tr");
#4.001;
collect_one_pkt(tr);
ap.write(tr);
end
endtask
task fifo_in_monitor::collect_one_pkt(fifo_transaction tr);
int j,k;
`uvm_info("in_monitor","begin to collect one pkt",UVM_LOW)
while(1) begin
@(vif.ckim);
if((!vif.ckim.wfull) && (vif.ckim.write == 1)) begin // 符合要求
tr.data_in[j] = vif.ckim.wdata;
`uvm_info("in_monitor",$sformatf("%0d number is received,number is %0h",k++,vif.ckim.wdata),UVM_LOW)
if(j == 199) break; //seq1 发送200个数据
j++;
end
end
`uvm_info("in_monitor","end collect one pkt",UVM_LOW)
//tr.print();
endtask
`endif
与driver一样,也要使用uvm_config_db来获取DUT信号。
但是这里定义了一个uvm_analysis_port端口其作用就是把接收到的数据transcation发送出。
这里的#4.001大概率是为了等待刚刚发送的数据发送,这里挖一个坑。
后面的collect_one_pkt与前面相同,当符合要求后将wdata读到data_in中,但是这里使用的是ckim,原因如上所示。
输出的out_moniter与输入有两个区别,一个是没有#4.001,第二个就是使用的读时钟块ckom以及传输的是rdata。
2.5 sequencer
sequencer相当于sequence的下手,用于帮sequence传递数据的。1
2
3
4
5
6
7
8
9
10
11
12
13
14
15`ifndef FIFO_SEQUENCER__SV
`define FIFO_SEQUENCER__SV
class fifo_sequencer extends uvm_sequencer #(fifo_transaction);
`uvm_component_utils(fifo_sequencer)
function new(string name = "fifo_sequencer",uvm_component parent = null);
super.new(name,parent);
endfunction
task main_phase(uvm_phase phase);
`uvm_info("fifo_sequencer","main_phase begin",UVM_LOW)
endtask
endclass
`endif
代码里没有要讲的,仅仅就定义了一下自己。
2.6 agent
agent的作用仅仅就是将三巨头sequencer、driver和monitor进行连接。
1 | `ifndef FIFO_IN_AGENT__SV |
需要注意的是,这里和moniter一样定义了一个uvm_analysis_port端口,并且在connect_phase中使用ap = mon.ap;的方式将mon的ap的指针指向了该ap,实现外部直接调用mon.ap。is_active是agent的固有方法,用来区分输入和输出。但是本项目中还定义了一个out_agent,这个方法应该冗余了。在out_agent中的mon变为out_mon,其余不变。
在connect_phase连接中将sqr的输出与drv的输入连接,等待sqr提供数据。
2.7 model
model按理来说应该是一个参考,用来实现与DUT相同的操作,但这里仅仅定义了两个端口,从port端口到ap。1
2
3
4
5
6
7
8
9
10
11
12
13
14
15
16
17
18
19
20
21
22
23
24
25
26
27
28
29
30
31
32
33
34
35
36
37
38
39`ifndef FIFO_MODEL__SV
`define FIFO_MODEL__SV
class fifo_model extends uvm_component;
uvm_blocking_get_port #(fifo_transaction) port;
uvm_analysis_port #(fifo_transaction) ap;
extern function new(string name, uvm_component parent);
extern function void build_phase(uvm_phase phase);
extern virtual task main_phase(uvm_phase phase);
`uvm_component_utils(fifo_model)
endclass
function fifo_model::new(string name, uvm_component parent);
super.new(name, parent);
endfunction
function void fifo_model::build_phase(uvm_phase phase);
super.build_phase(phase);
port = new("port", this);
ap = new("ap", this);
endfunction
task fifo_model::main_phase(uvm_phase phase);
fifo_transaction tr;
fifo_transaction new_tr;
super.main_phase(phase);
while(1) begin
port.get(tr);
new_tr = new("new_tr");
new_tr.copy(tr);
`uvm_info("fifo_model", "get one transaction, copy and print it:", UVM_LOW)
new_tr.print();
ap.write(new_tr);
end
endtask
`endif
2.8 scoreboard
scoreboard用于收集来自agent以及model的数据。1
2
3
4
5
6
7
8
9
10
11
12
13
14
15
16
17
18
19
20
21
22
23
24
25
26
27
28
29
30
31
32
33
34
35
36
37
38
39
40
41
42
43
44
45
46
47
48
49
50
51
52
53
54
55
56
57
58`ifndef FIFO_SCOREBOARD__SV
`define FIFO_SCOREBOARD__SV
class fifo_scoreboard extends uvm_scoreboard;
fifo_transaction expect_queue[$];
uvm_blocking_get_port #(fifo_transaction) exp_port;
uvm_blocking_get_port #(fifo_transaction) act_port;
`uvm_component_utils(fifo_scoreboard)
extern function new(string name, uvm_component parent = null);
extern virtual function void build_phase(uvm_phase phase);
extern virtual task main_phase(uvm_phase phase);
endclass
function fifo_scoreboard::new(string name, uvm_component parent = null);
super.new(name, parent);
endfunction
function void fifo_scoreboard::build_phase(uvm_phase phase);
super.build_phase(phase);
exp_port = new("exp_port", this);
act_port = new("act_port", this);
endfunction
task fifo_scoreboard::main_phase(uvm_phase phase);
fifo_transaction get_expect, get_actual, tmp_tran;
bit result;
super.main_phase(phase);
fork
while (1) begin
exp_port.get(get_expect);
expect_queue.push_back(get_expect);
end
while (1) begin
act_port.get(get_actual);
if(expect_queue.size() > 0) begin
tmp_tran = expect_queue.pop_front();
result = get_actual.compare(tmp_tran);
if(result) begin
`uvm_info("fifo_scoreboard", "Compare SUCCESSFULLY", UVM_LOW);
end
else begin
`uvm_error("fifo_scoreboard", "Compare FAILED");
$display("the expect pkt is");
tmp_tran.print();
$display("the actual pkt is");
get_actual.print();
end
end
else begin
`uvm_error("fifo_scoreboard", "Received from DUT, while Expect Queue is empty");
$display("the unexpected pkt is");
get_actual.print();
end
end
join
endtask
`endif
这里定义了两个接受端口,分别是exp_port以及act_port,其中exp_port来自fifo_model的输入,表示参考的数据。act_port来自o_agt,表示DUT的输出值。将这两个数值进行比较,从而判断程序是否发生错误。
2.9 env
env是整个UVM最接近顶层的存在,其主要包括三个部分:agent、model以及scoreboard。1
2
3
4
5
6
7
8
9
10
11
12
13
14
15
16
17
18
19
20
21
22
23
24
25
26
27
28
29
30
31
32
33
34
35
36
37
38
39
40
41
42
43
44
45
46`ifndef MY_ENV__SV
`define MY_ENV__SV
class my_env extends uvm_env;
fifo_in_agent i_agt;
fifo_out_agent o_agt;
fifo_model mdl;
fifo_scoreboard scb;
uvm_tlm_analysis_fifo #(fifo_transaction) agt_scb_fifo;
uvm_tlm_analysis_fifo #(fifo_transaction) agt_mdl_fifo;
uvm_tlm_analysis_fifo #(fifo_transaction) mdl_scb_fifo;
function new(string name = "my_env", uvm_component parent);
super.new(name, parent);
endfunction
virtual function void build_phase(uvm_phase phase);
super.build_phase(phase);
i_agt = fifo_in_agent::type_id::create("i_agt", this);
o_agt = fifo_out_agent::type_id::create("o_agt", this);
i_agt.is_active = UVM_ACTIVE;
o_agt.is_active = UVM_PASSIVE;
mdl = fifo_model::type_id::create("mdl", this);
scb = fifo_scoreboard::type_id::create("scb", this);
agt_scb_fifo = new("agt_scb_fifo", this);
agt_mdl_fifo = new("agt_mdl_fifo", this);
mdl_scb_fifo = new("mdl_scb_fifo", this);
endfunction
extern virtual function void connect_phase(uvm_phase phase);
`uvm_component_utils(my_env)
endclass
function void my_env::connect_phase(uvm_phase phase);
super.connect_phase(phase);
i_agt.ap.connect(agt_mdl_fifo.analysis_export);
mdl.port.connect(agt_mdl_fifo.blocking_get_export);
mdl.ap.connect(mdl_scb_fifo.analysis_export);
scb.exp_port.connect(mdl_scb_fifo.blocking_get_export);
o_agt.ap.connect(agt_scb_fifo.analysis_export);
scb.act_port.connect(agt_scb_fifo.blocking_get_export);
endfunction
`endif
这里面共定义了三个fifo,用来构建三者之间数据的缓冲,具体传输方向如下所示:
fifo_model -> mdl_scb_fifo -> fifo_scoreboard
fifo_out_agent-> agt_scb_fifo-> fifo_scoreboard
fifo_in_agent -> agt_scb_fifo -> fifo_model
从这里看也看到,在fifo_model 中传递的数据,其实是来自于fifo_in_agent ,当然,最为fifo输入和输出的数据确实是相同的。
2.10 base_test
base_test才是UVM真正的顶层,他的主要作用很简单,除了例化一个env之外,还可以进行项目错误的统计工作。1
2
3
4
5
6
7
8
9
10
11
12
13
14
15
16
17
18
19
20
21
22
23
24
25
26
27
28
29
30
31
32
33
34
35
36
37`ifndef BASE_TEST__SV
`define BASE_TEST__SV
class base_test extends uvm_test;
my_env env;
function new(string name = "base_test", uvm_component parent = null);
super.new(name,parent);
endfunction
extern virtual function void build_phase(uvm_phase phase);
extern virtual function void report_phase(uvm_phase phase);
`uvm_component_utils(base_test)
endclass
function void base_test::build_phase(uvm_phase phase);
super.build_phase(phase);
env = my_env::type_id::create("env", this);
endfunction
function void base_test::report_phase(uvm_phase phase);
uvm_report_server server;
int err_num;
super.report_phase(phase);
server = get_report_server();
err_num = server.get_severity_count(UVM_ERROR);
if (err_num != 0) begin
$display("TEST CASE FAILED");
end
else begin
$display("TEST CASE PASSED");
end
endfunction
`endif
在report_phase中定义了一个uvm_report_server用于检测错误,根据错误的数目输出验证通过与否。
2.11 case_sequence
这个相当于独立于整个UVM树之外的一个部分,用于产生激励信号。1
2
3
4
5
6
7
8
9
10
11
12
13
14
15
16
17
18
19
20
21
22
23
24
25
26
27
28
29
30
31
32
33
34
35
36
37
38
39
40
41
42
43`ifndef FIFO_CASE0__SV
`define FIFO_CASE0__SV
class case0_sequence extends uvm_sequence #(fifo_transaction);
fifo_transaction trans;
`uvm_object_utils(case0_sequence)
function new(string name = "case0_sequence");
super.new(name);
endfunction
virtual task body();
repeat(2) begin
`uvm_info("case0_sequence","generate one transaction!",UVM_LOW)
`uvm_do_with(trans,{trans.data_in.size == 200;})
end
endtask
endclass
class test_case0 extends base_test;
`uvm_component_utils(test_case0)
function new(string name = "test_case0", uvm_component parent = null);
super.new(name,parent);
endfunction
function void build_phase(uvm_phase phase);
super.build_phase(phase);
endfunction
task main_phase(uvm_phase phase);
case0_sequence seq;
phase.raise_objection(this);
#4;
seq = case0_sequence::type_id::create("l_seq");
`uvm_info("case0_sequence","case1_sequence begin",UVM_LOW)
seq.start(env.i_agt.sqr);
#3000;
phase.drop_objection(this);
endtask
endclass
`endif
在这里,使用uvm_do_with宏的方法实现将特定的数据传输到sequencer。但这里值得注意的是,在下面定义了一个从属于base_test的类test_case0 ,其也是UVM树的一部分,是从属于base_test的,因此与env的关系很近,但是这里其作用仅仅就是建立一个case0_sequence 并且运行,同时还是用phase.raise_objection(this)与phase.drop_objection(this)定义整个sequence事件的开始与结束。在这里指定了env.i_agt.sqr为发射的地点。
2.12 top_tb
这就是最终的tb文件,代码如下,具体就不说了,无非就是例化初始化之类的操作,以及保存波形。
这里挖一个坑,针对这里
asyn_fifo_chk_rst还没了解清楚。
1 | `timescale 1ns/1ps |
三、UVM仿真环境的搭建
这里我简单说一下,因为在环境搭建的过程中踩了很多坑,在网上的教程很乱,也没有一个完美的答案,这里就介绍一下我搭建UVM的结构图:
可以看出,我这里建立了三个文件夹,有源码DUT部分,存放仿真文件以及启动文件的sim还有存放tb文件和uvm文件的testbench文件。最重要的就是启动文件filelist和Makefile的编写。
3.1 Makefile文件的编写
先给出我的Makefile文件:1
2
3
4
5
6
7
8
9
10
11
12
13
14
15
16
17
18
19
20
21
22
23
24
25
26
27
28
29
30
31
32
33
34
35
36
37.PHONY:file vcs sim verdi clean
VCS = vcs -full64 -cpp g++-4.8 -cc gcc-4.8 \
-LDFLAGS -Wl,--no-as-needed \
-f filelist.f \
-timescale=1ns/1ps \
-R \
-debug_acc+all \
+define+FSDB \
-lca -kdb \
-ntb_opts uvm-1.1 \
-sverilog \
+v2k \
|tee vcs.log
file:
find ../ -name "*.v" -o -name "*.sv" > file.f
vcs:
${VCS}
sim:
./simv -gui |tee sim.log &
verdi:
verdi -f filelist.f -sv -ssf tb.fsdb &
clean:
rm -rf csrc verdiLog simv.daidir \
novas.* \
vc_hdrs.h \
simv \
*.key \
*.fsdb \
*.log \
inter.vpd \
DVEfiles
这里包括了五个部分,分别是file、vcs、sim、verdi以及clean。我分开来介绍:
- file:
这个主要是用于生成filelist文件,但也不全是filelist,因为该脚本只能获取所有的.v和.sv文件,在filelist中的编写不仅仅要包含这个,而且还有uvm包的文件,并且这些文件的先后顺序有严格的要求,这个后面讲解。 vcs:
这个主要是启动vcs对所有的文件进行编译,在Makefile中添加了很多附加选项,这些选项都是能够让vcs正常运行的选项,你可以使用vcs help来获取vcs命令手册,里面解释了所有符号的意义以及用法。1
2
3
4
5
6
7
8
9
10
11
12
13
14
15
16
17
18
19
20
21
22
23
24
25
26
27
28
29# 指定使用 VCS (Verilog Compiler Simulator) 进行仿真编译
VCS = vcs -full64 -cpp g++-4.8 -cc gcc-4.8 \
# -full64: 使用 64 位编译选项,适用于 64 位操作系统
# -cpp g++-4.8: 指定 C++ 编译器使用 g++ 版本 4.8
# -cc gcc-4.8: 指定 C 编译器使用 gcc 版本 4.8
-LDFLAGS -Wl,--no-as-needed \
# -LDFLAGS: 启用链接器的标志
# -Wl,--no-as-needed: 在链接时告诉链接器不要自动移除未使用的库
-f filelist.f \
# -f filelist.f: 指定仿真源文件列表,filelist.f 是一个包含所有待编译文件的文件列表
-timescale=1ns/1ps \
# -timescale=1ns/1ps: 设置仿真时间尺度为 1ns(纳秒)/ 1ps(皮秒)
-R \
# -R: 启用调试和恢复功能
-debug_acc+all \
# -debug_acc+all: 启用所有的调试访问器,允许调试仿真时查看所有信号和变量
+define+FSDB \
# +define+FSDB: 定义一个名为 FSDB 的宏,通常用于控制 FSDB 文件(仿真波形文件)的输出
-lca -kdb \
# -lca: 启用 LCA (Library Coverage Analysis),用于库覆盖分析
# -kdb: 启用 KDB (Kernel Debugger),为调试目的启用内核调试功能
-ntb_opts uvm-1.1 \
# -ntb_opts uvm-1.1: 启用与 UVM 1.1 兼容的 NTB(Native Testbench)选项,适用于 UVM(Universal Verification Methodology)验证环境
-sverilog \
# -sverilog: 启用 SystemVerilog 编译支持
+v2k \
# +v2k: 启用 Verilog-2001(V2K)编译选项
|tee vcs.log
# |tee vcs.log: 使用 tee 命令将 VCS 编译过程的输出同时显示在终端并保存到 vcs.log 文件中sim:用来使用vcs自带的仿真工具生成波形,这里我没用过。
- verdi:用来查看fsdb的波形文件,这个是我最常用的,通过这个可以很方便的对波形进行追溯,调试起来很容易。
- clean:用来删除生成了的文件。
以防有人不会用Makefile,说一下他的用法。在Makefile文件所在的目录打开终端,使用make [指令]的方式来运行,Makefile本质来说就是将指令进行了一个打包,我这里运行verdi -f filelist.f -sv -ssf tb.fsdb &和make verdi的效果是一样的。
3.2 filelist文件的编写
下面是我针对本项目编写的filelist文件。1
2
3
4
5
6
7
8
9
10
11
12
13
14
15
16
17
18
19
20
21
22
23
24+incdir+$UVM_HOME/src
$UVM_HOME/src/uvm_pkg.sv
../testbench/fifo_if.sv
../testbench/fifo_transaction.sv
../testbench/fifo_driver.sv
../testbench/fifo_in_sequencer.sv
../testbench/fifo_in_monitor.sv
../testbench/fifo_out_monitor.sv
../testbench/fifo_in_agent.sv
../testbench/fifo_out_agent.sv
../testbench/fifo_model.sv
../testbench/fifo_scoreboard.sv
../testbench/my_env.sv
../testbench/fifo_chk_rst.sv
../testbench/base_test.sv
../testbench/fifo_case0.sv
../testbench/top_tb.sv
../DUT/pointer.v
../DUT/sync.v
../DUT/fifo_top.v
../DUT/memory.v
../DUT/comparator.v
可以分为三个部分,首先是前两行的+incdir+$UVM_HOME/src和$UVM_HOME/src/uvm_pkg.sv,第一句话表示将$UVM_HOME/src中的所有文件加入到编译列表中,这个文件里基本上是所有uvm库所需要的文件,什么uvm_env呀之类的就是这里定义。然后uvm_pkg.sv相当于是所有文件的核心实现,在tob_tb中,只需要调用import uvm_pkg::*;便可以将所有uvm包含进来。
$UVM_HOME表示的是一个宏定义,在Lunix中主目录的
.bashrc中定义,我这里的原话是export UVM_HOME=/home/wxm/uvm_study/uvm-1.1d
后面紧接着是testbench中的文件,注意一定要先写testbench再写dut,以防报错。然后在testbench内部也要按照顺序,从独立到树枝再到树根的顺序,比如献血interface和transaction,再从树枝的dirver开始写到树根base_case。因为在UVM编译的过程中是从上到下的顺序,如果你先编译base_case,编译器会报错说找不到env。最后就是top_tb以及其余的DUT文件。
但是貌似DUT文件没有内部顺序
3.3 另辟蹊径
还有一个别的方法,你只需要写两个文件就可以:一个是top_tb.sv;另一个是fifo_top.v,前提是你需要在这两个文件里面把其余所有的文件include一遍,就像这样:1
2
3`include "../testbench/my_driver.sv"
`include "../testbench/my_model.sv"
...
因为你的Makefile和filelist以及终端运行的位置都在sim文件夹,而其他文件在testbench和dut文件夹,因此你在include的时候需要以sim文件夹为根目录,使用../回到上一级,再使用/testbench/XXX.sv来调用这些文件。这样操作就不需要在filelist中调整顺序了。
总结
总而言之,这是一个很好的练习UVM的项目,因为其与《UVM实战》这本书的内容大差不差,很多在结构上都有相似的地方,我希望从这个项目为起点,依次加深我对IC验证这一领域的认识。后面我会对该项目的波形图进行研究,并通过调整UVM代码实现一些不一样的功能。






